-
Categorie
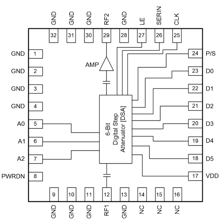
BeRex announced the release of new product, the BVA1621 is Digital Variable Gain Amplifier (DVGA) which is designed for glitch-safe attenuation state transitions, highly accurate 6-bit digitally-controlled attenuation over a 31.5dB range, with 0.5dB steps, while maintaining high linearity.
The DVGA operates at their maximum frequencies of 4GHz. The DVGA is powered by 5V and 3.3V supplies, which reduces their overall power consumption, and they are packaged in the space saving 5mmx5mmx1.07mm, 32-Lead QFN.
Designed with outstanding RF characteristics, the DVGA is primarily intended for 5G/4G/3G wireless infrastructure equipment, satellite radio, and other high-end wireless applications.
The BVA1621 offers the flexibility to program their gain-control through serial mode, Latched Parallel Mode and Direct Parallel Mode. Especially serial mode with 3bit Addressable function interfaces minimize control lines that support very fast switching speeds.

