-
Categorie
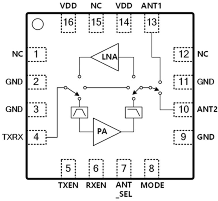
BeRex Inc. announces the availability of the 8TR8223, a multi-function front-end RFIC module designed for 802.15.4 ZigBee, THREAD, Matter, and proprietary ISM applications.
The 8TR8223 combine a power amplifier for transmission with a low-noise amplifier for the receiver, a pair of SP3T (single-pole triple-throw) switches for transmit/receive/bypass functionality, dual ANT, along with a filter network and 50-ohm input and output matching circuitry. All of these are packaged in a compact 3.0 mm x 3.0 mm x 0.45 mm 16-pin QFN package.
The 8TR8223 offer cutting-edge technology, providing up to +22 dBm saturated output power, 10.7dBm EDR Spectral Mask at 8-DPSK with 3-DH5 packets at 3Mbps, and ultra-low noise figures of 1.92dB to 2.13dB. This device can operate with a wide voltage range from 2.2V to 3.8V and an operating temperature range from -40°C to +125°C. Its enhanced energy efficiency makes them ideal for battery operation.

