-
Categorie
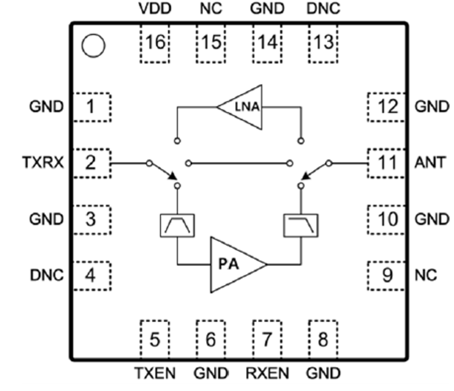
BeRex Inc. today announces the availability of the 8TR8213, a multi-function front-end RFIC module designed for 2.4GHz ISM, ZigBee, THREAD and Matter applications. The 8TR8213 integrates a power amplifier for transmission, along with a pair of SP3T (single-pole Triple-throw) switches for bypass functionality, a filter network, and 50-ohm input and output matching circuitry. These components are packaged in a compact 2.0 mm x 2.0 mm x 0.45 mm 16-pin QFN package.
The 8TR8213 delivers advanced performance, providing up to +17.5 dBm saturated output power at a VDD of 3.0V, with low current consumption of 38.5mA at +15dBm. This device operates over a frequency range of 2.4GHz to 2.485GHz, a wide voltage ranges from 2.2V to 4.0V, and can function in temperatures ranging from -40°C to +125°C. Its superior energy efficiency makes it ideal for battery-powered applications.


Features
• 2.4 – 2.5GHz Frequency Range
• Integrated PA, LNA, Bypass, T/R Switch
• Low TX Current Optimized for battery operation
• 35mA at +15dBm Output Power
• 2.5dB LNA Noise Figure
• Ultra-Low Bypass(=Shutdown) Current
• Bi-Directional Bypass with Low Insertion Loss
• Up to +10dBm EDR Power
• 2mm x 2mm x 0.45mm QFN-16 Package
• -40°C to 125°C Temperature Range